此页面服务由第三方为您提供
所在位置:首页 > 服务项目 > 详情

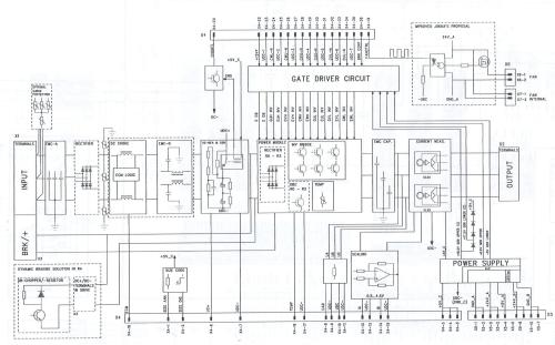
Acs550变频器故障维修中心郑州地区指定维修网点

发布时间:2023-09-06 06:36:05 人气:167

郑州地区维修Abb变频器

型号如下:,适用各种类型的负载;针对风机水泵应用特别优化。
典型应用于恒压供水、冷却风机、地铁和隧道通风机等等

输入电压:三相AC380V-480V
电机额定功率:1.1KW-160KW.

ACS510-01-03A3-4   1.1kW
ACS510-01-04A1-4   1.5kW
ACS510-01-05A6-4   2.2kW
ACS510-01-07A2-4    3kW
ACS510-01-09A4-4    4kW
ACS510-01-012A-4   5.5kW
ACS510-01-017A-4   7.5kW
ACS510-01-025A-4   11kW
ACS510-01-031A-4   15kW
ACS510-01-038A-4   18.5kW
ACS510-01-046A-4    22kW
ACS510-01-060A-4    30kW
ACS510-01-072A-4    37kW
ACS510-01-088A-4    45kW
ACS510-01-125A-4    55kW
ACS510-01-157A-4    75kW
ACS510-01-180A-4    90kW
ACS510-01-195A-4    110kW
ACS510-01-246A-4    132kW
ACS510-01

Acs550变频器故障维修中心郑州地区指定维修网点

易成电气设备有限公司
技术支持:2026-百修网  站点地图

在线留言

联系电话